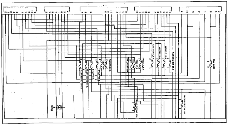
Монтажный блок №1 (под панелью приборов) (Тойота Карина Т190, 1992-1996 ...

Монтажный блок №1 (под панелью приборов) (Тойота Карина Т190, 1992-1996 ...