Выключатель нагрузки 10 кВ, цена в Гомеле
для чего нужен секционный выключатель 10 кв
Выключатели нагрузки 10кв схемы
Выключатель высоковольтный 10 кв – Высоковольтн...
Основные типы схем электрических сетей
Принцип работы авр 10 кв с секционным выключателем
Авр 10 кв схема и описание - Вместе мастерим
СВ 6(10) кВ ВБУП4-10 с УЗА-10А.2 на переменном ...
Выключатели нагрузки 10 кВ | Энергоресурс+
Линия, СВ и ввод 10 кВ с выключателем BB/TEL и ...
Выключатель нагрузки 10 кВ - купить по оптовой ...
Yueqing Liyond Electric Co., Ltd. ZW32-12 Наруж...
Схемы электросетей 10 кВ и типы устройств РЗиА ...
Секционный автоматический выключатель: просто о...
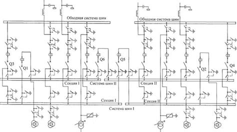
Схема ру 10 кв две секции шин
Пункт секционирования столбовой ПСС-10 реклоузе...
Схемы авр для секционного выключателя
Реконструкция ячейки секционного выключателя РП...
Схема две одиночные секционированные выключател...
Секционный вакуумный выключатель ВВТ-10 на зака...
Вакуумный выключатель 10 кв принцип работы: При...
Выбор выключателей 6-10 кВ у потребителя | Высо...
Ячейки выключателя с одним разъединителями