Разборка стартера
Устройство и работа стартера на ВАЗ-2109. Устро...
Проверка стартера Ваз 2108, Ваз 2109, Ваз 21099
Стартер на ваз 2109
Как поставить щетки на стартер ваз 2109: Master...
Втягивающее реле стартера ваз 2109: какпроверит...
Щетка стартера: замена своими руками
ВАЗ 2108 | 2109 | 21099 - cтартер
Бендикс стартера ваз 2109: неисправности и ремонт
Щеточный узел стартера BOSCH ВАЗ 2101-07, 21083...
Ремонт стартера на ВАЗ 2109 своими руками: схем...
Как снять и поставить стартер автомобиля ваз-2109
Как снять стопорное кольцо на стартере
Щетки стартера ВАЗ, УАЗ Энергомаш – купить с до...
Щетки стартера ВАЗ 2101-2109 4шт. СТ221-3708050...
Щеточный узел стартера ВАЗ 2101, 2108, 2110, ОК...
Дефектовка и ремонт стартера. ВАЗ 2109 (Самара)...
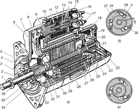
Стартер - Устройство автомобиля ВАЗ 2109
Щётки стартера, щёточный узел, ВАЗ 2110, ВАЗ 21...
Разборка стартера. ВАЗ 2109 (Самара) / 604f6c
Щетки стартера ВАЗ, ГАЗ, УАЗ 2101-2108 МГС-23 ч...
Замена стартера на ваз 2108, ваз 2109, ваз 2109...
Щеточный узел (крест) стартера ВАЗ 2101-2108 29...
Устройство стартера ваз 2109 (бендикс, втулка, ...
Втулки стартера БАТЭ 426 ВАЗ 2108, 2109; на ста...
Щетки стартера - Электрооборудование автомобилей
Стартер ВАЗ 2109 – схема механизма, неисправнос...
Замена щеток стартера своими руками
Щетки стартера 4 шт. для ВАЗ 2101-2109, Москвич...
Замена щеток стартера НЮАНСЫ ! Развалились новы...
Разборка стартера Ваз 2108, Ваз 2109, Ваз 21099