Стыковка ТГК Прогресс МС-01 с МКС (Прямая транс...
Информация по пуску Союз-МС-01 - Alpha Centauri
МС-1 - обзор, гайд, характеристика, советы для ...
Танк МС-1 | Пикабу
Мс 1 танк чертежи - Фото подборки
Модули сбора данных | Электротехническая Компан...
МС-1/История — Global wiki. Wargaming.net
Измеритель напряжения МС-01 (модуль сопряжения ...
История первого серийного советского вертолёта ...
Ми-1 - это... Что такое Ми-1?
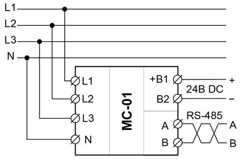
Модуль сопряжения с объектом МС-01 | Электротех...
МС-1 | это... Что такое МС-1?
Легкий танк МС-1 (Т-18) - парк Патриот
МС-1 | World of Tanks Wiki | Fandom
Танк МС-1 (танк-18)
Орбита полета нового грузовика "Прогресс МС-01"...
Знакомьтесь, МС-1 образца 2016 года | Танки, мо...
Союз МС-01 — Вікіпедія
Фотография вертолёта · Миль · Ми-1 · 01 · МАРЗ ...
МС-1 | Первый советский серийный танк МС-1 le c...
МС-1 | Воины и военная техника вики | Fandom
Модуль связи МС-01
ТПК Союз МС-01 прошел проверку в барокамере - Y...
Космос / Союз МС-01 / ММОзговед
Танка мс1 бока (50 фото) - красивые картинки и ...
MS-1 HD RENDERS – The Armored Patrol
Т-16 / Т-18 (МС-1), Легкий танк | Энциклопедия ...
Купить Трансформер Трансформаторы megasteel мс-...