Отстойник высокой производительности для очистк...
Отстойники для очистки сточных вод: как сделать
Тонкослойный отстойник Argel L для очистки сточ...
Горизонтальные отстойники — купить отстойник го...
Китай Производители и поставщики отстойников пл...
Радиальный отстойник - ОР — купить радиальный о...
Отстойники для очистки сточных вод: как сделать...
Отстойники для очистки сточных вод: подземные и...
Радиальные отстойники: эффективное решение для ...
Очистка сточных вод, виды стадий. Механическая,...
Отстойники для очистки сточных вод: разновиднос...
Купить Тонкослойный (ламельный) отстойник для о...
Отстойник увеличенный для очистки сточных вод- ...
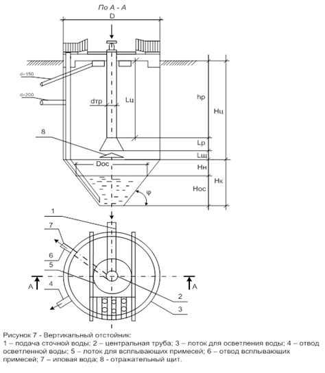
Отстойник: назначение, принцип работы, типы и у...
Тонкослойные отстойники для очистки сточных вод
Индивидуальный наклонный пластинчатый отстойник...
Тонкослойный отстойник очистки сточных вод купи...
Отстойник горизонтальный для очистки сточных во...
Биологическая очистка сточных вод: что такое, п...
Отстойник радиальный высокой производительности...
Первичный отстойник :: Расчет необходимой степе...