Защита От Кз В Блоках Питания На Tl494 - pspink...
Делаем сами - Импульсный блок питания на основе...
Блок питания от компьютера на tl494 выдает пони...
⚡💡 Плата управления на микросхеме TL494. Переде...
Регулируемый источник питания из БП ATX на TL49...
Зарядное из АТ блока питания 200 Вт на TL494 - ...
Импульсный лабораторный блок питания на TL494 -...
ОБЗОР САМОДЕЛЬНОГО СТАБИЛИЗАТОРА ТОКА И НАПРЯЖЕ...
Блоки питания на шим tl494 кр1114еу4 и 1114еу1
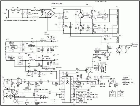
Tl494 схема
Схема и печатная плата шим на tl494 - Схемы
Блок питания для компьютера tl494
Плата TL494 для создания регулируемых блоков пи...
Схема компьютерного блока питания на tl494
Переходная плата TL494 для регулируемых БП и за...
Регулируемый блок питания на TL494. - YouTube
Переделка блока питания tl494 - Автомобильный п...
Регулятор Печки На Шим Tl494 - dagorindependent
Изображение
Ремонт блока питания компьютера - Умелые руки
Переделка атх в лабораторный блок питания на tl...
Переходная плата на 494 ШИМ для переделки любог...
Лабораторный блок питания на TL494 - Импульсные...
TL494 схема включения, datasheet, TL494CN
Стабилизированный полумостовой импульсный блок ...
Переделка блока питания АТ в зарядное устройств...
Замена шим на tl494 переделка блока питания в з...