Группа К-700
Ремонт КПП Т-150, Т-150Г, К-700, К-701, К-702 н...
КПП К 700: устройство, схема переключения, прин...
КПП К 700: схема и ремонт
«Кировец» К-700 | Пикабу
Обкатка КПП К-700
Кпп к 700 вес – Сколько весит коробка передач н...
КПП K-700, 701, 700А купить по недорогой цене в...
Мост К-700, Кабина К-700, Бак К-700, крылья К-7...
Ремонт и обмен КПП К-700, К-700А, К-701 2023 г....
Трактор Кировец К-700 и К-700 а — технические х...
Ремонт КПП К-700 своими руками
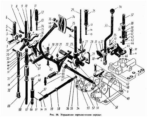
700А. 17. 17. 000 Кулиса в сборе коробки переда...
Коробки и мосты к700, к701 - Запчасти для спец ...
К-700 "Кировец" - СССР в Масштабе
Опора промежуточная К-700
КПП К-700, К-700А, К-701 купить коробку передач...