Главная
»
Модульно стержневой заземлитель шип 3 6
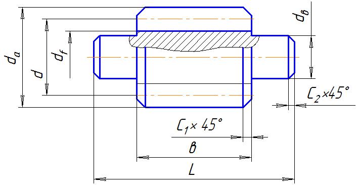
3.1.6. Радиальный зазор (с)