Главная
»
Шлицевое соединение рулевого вала ваз
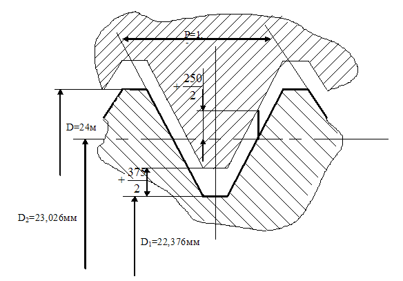
5.Шлицевое соединение