Защита кандидатской диссертации А.А. Степнова в...
010.jpg
010 (2)
СМ 002. Ловим хариус на избе. Обустраиваемся, т...
ЧС2-010 на станции Барабинск
Стрим № 002. 10-й турнир шахматных блогеров (07...
00002 - YouTube
Школьный стул ШС02
SCH 002
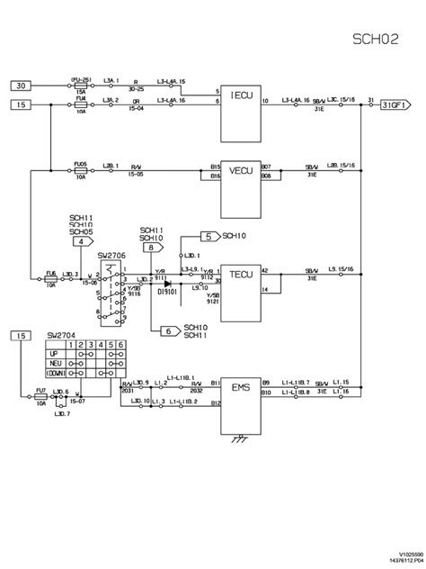
SCH 02 | PDF
ZS 010 - Zabezpieczenie studzienek - Centrum St...
"эксперемент 010"(2 серия) - YouTube
Шкаф сушильный шс 20 02 - 82 фото
si_010 | Rektime
02.010
КС-02-10
Етикетувальний автомат СК 010 ОНМ - YouTube
Комплект спортивних стендів (Артикул: 7-СПР-010...
SCH01 | PDF
002 | PDF
002/2. Звернення до ЗСУ Отамана Київського Коза...
SCH02 – COM Ireland Jewellery
10_гл02_2_01
Шкив ОВИ 02.101
02_.010
ЧС2-010 в 2016г
Комплект банерів з державними символами (Артику...
II_010 – sozaiya.com
010 Срби су имали много хероја у балканским и п...
Сапермебель шкаф-купе СШ-010.02(-01) (длина 180...
СНАБЛИФТ :: Шкив канатоведущий 400х3х10 ЛЛ0601....