Проводка на мотоцикл урал 12 вольт схема
проводка мотоцикла минск 125, лидер. 12 вольт -...
Схема подключения реле зарядки мотоцикл урал 12...
Проводка мотоцикла урал 12 вольт схема подключе...
Как Сделать Проводку на Мотоцикл Урал 12 Вольт ...
Проводка мотоцикла урал 12 вольт схема подключения
Проводка на мотоцикл урал 12 вольт схема подклю...
Проводка урал мотоцикл 12в схема подключения
Проводка мото урал 12в схема подключения
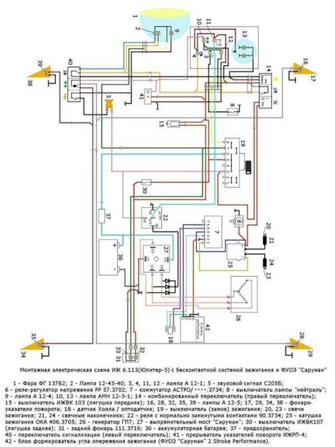
Электросхема мотоцикл урал 12 вольт фото
Схема мотоцикла урал – Схема электрооборудовани...
Как подключить замок зажигания на мотоцикле ура...
Схема Проводки Мотоцикла Урал 12В Одиночка - sn...
Как сделать проводку на мотоцикл урал 12 вольт ...
Электропроводка мотоцикла минск 12 вольт. Схема...
Схема подключения мотоцикла урал 12 вольт
Схема проводки мото урал 12 вольт
Электропроводка мотоцикла урал 12 вольт схема п...