Главная
»
Поперечины для забора металлические
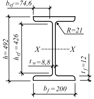
2.3. Підбір поперечного перерізу.