Усилитель НЧ для дома. Часть 1 - YouTube
Стоваттный усилитель НЧ Выходная мощность усили...
Купить hi fi Усилитель мощности 170 усилитель у...
Простой усилитель НЧ с широким диапазоном частот
5.1. Расчет фнч
ФНЧ-фильтр для Hi-End стерео-тюнера | РадиоГазе...
Купить hi fi Усилитель мощности Класса D цифров...
Качественный ФНЧ для сабвуфера | Мастер Кит DIY...
Нч усилитель
ФНЧ для сабвуфера
Активный фнч для приемника
ФНЧ в усилителе / Аудио и видео техника / Radio...
170 Вт аксессуары домашняя высокочастотная плат...
Музей электронных раритетов - Гибриды - ФНЧ-1, ...
Купить Усилитель Четыре трубки полевого эффекта...
Усилитель Мощности Кв Станции - statyamortgage
Простой КВ усилитель мощности
Усилитель мощности | ut2fw
НЧ фон в усилителе - Усилители мощности - Форум...
Усилитель Низкой Частоты
Усилитель мощности кв диапазона купить в Волгог...
UHF усилитель мощности
1-1000 МГц 2,5 Вт HF VHF UHF FM передатчик RF у...
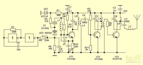
Кв усилитель мощности • HamRadio
Усилитель мощности кв "Атака" - КВ и УКВ радиос...
Для чего ФВЧ и ФНЧ в ламповом усилителе - YouTube
УСИЛИТЕЛЬ МОЩНОСТИ ЗВУКА | Усилитель, Электрони...
ВЧ усилители мощности