УСТАНОВКА ДАТЧИКА ОГРАНИЧИТЕЛЯ ОБОРОТОВ КОЛЕНЧА...
Технические характеристики зил 130 автокран: Ав...
ᐉ Двигатель ЗИЛ-130. Конструкция и уход
Ограничитель оборотов двигателя: Принцип работы...
Ограничитель оборотов двигателя ваз
Устройство и принцип работы КПП ЗИЛ-130 opex.ru
Регулировка клапанов ЗИЛ 130 - 4 правила | авто...
Сцепление зил 130 устройство: Устройство и прин...
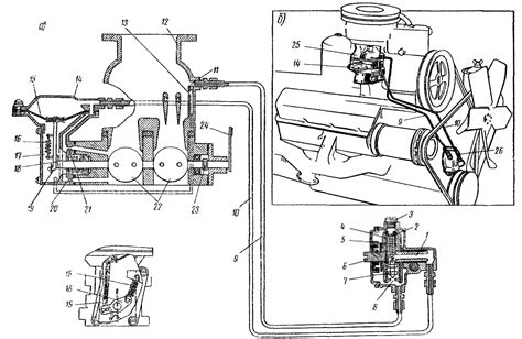
РЕГУЛИРОВКА ОГРАНИЧИТЕЛЯ МАКСИМАЛЬНОГО ЧИСЛА ОБ...
Двигатель ЗИЛ 130 (18 фото): технические характ...
Электрооборудование зил 130: Зил 130 - Электроо...
Автокран на базе ЗИЛ-130 | технические характер...
Ограничитель оборотов ПАЗ-3205-110
Карбюратор ЗИЛ-130 - устройство и особенности
Ограничитель числа оборотов коленчатого вала ЗИ...
Зил 130 метки грм (3 видео) | Технологии | AltA...
Купить Ограничитель числа оборотов коленчатого ...
Ограничители максимального числа оборотов колен...
Характеристика двигателя зил 130: ЗИЛ-130: техн...
Ремонт карбюратора зил 130: Проверка и регулиро...
ЗИЛ-130 – технические характеристики, история, ...
Ограничитель числа оборотов коленчатого вала | ...
Измерение содержания окиси углерода | АвтоКлуб ...
Ограничитель оборотов ЗИЛ 130 - YouTube
Грузовик ЗИЛ-130 / ЗИЛ-431410: характеристики, ...
Маркировка карбюратора на зил 130 - Маркировка-Про
Зил 130 настройка карбюратора: Как настроить и ...
Скачать: Регулировка автомобилей ЗИЛ-130 и ЗИЛ-...
Порядок зажигания ЗИЛ 130 - motor-teh.ru
Комбинация приборов ЗИЛ-130 | 23км МКАД
Зил 130 габаритные размеры: ЗИЛ 130 самосвал те...
ОГРАНИЧИТЕЛЬ МАКСИМАЛЬНОГО ЧИСЛА ОБОРОТОВ ДВИГА...