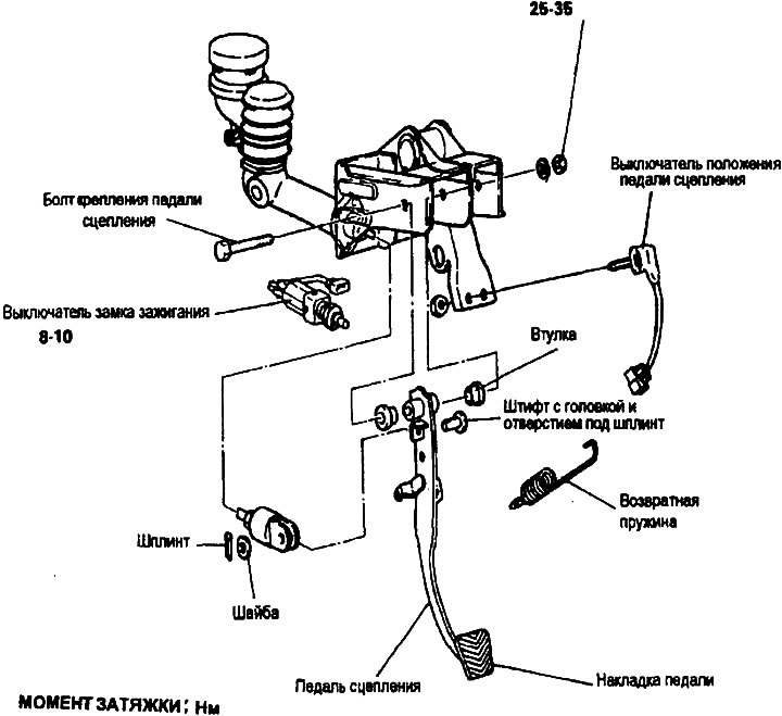
Педаль сцепления — снятие, проверка и установка (Хендай Соната 3 1993 ...

Педаль сцепления — снятие, проверка и установка (Хендай Соната 3 1993 ...