Схема кпп уаз адс 5 ступенчатая - Фото подборки 3
Кпп УАЗ 5 ти ступенчатая купить в Улан-Удэ | Авито
Крышка кпп уаз буханка 5 ступка (45 фото) - фот...
Кпп уаз 5 ступенчатая схема - фото
КПП ВАЗ классика - YouTube
Уаз хантер кпп 5 ступенчатая схема - 81 фото
Скачать Grand Theft Auto 5 "Концепт UAZ 452" - ...
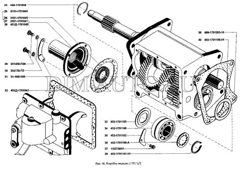
Вал первичный КПП 5-ступки АДС — УАЗ
КПП УАЗ-452, 3303 (5-ти ступенчатая) АДС – Авто...
Устройство кпп уаз хантер 5 ступенчатая даймос
Производство КПП АДС для УАЗ 16+ - YouTube
Кпп уаз 5 ступенчатая схема сборки 56 фото - wF...
УАЗ КПП 5 ти ступенчатая - проблема с включение...