TP4054 datasheet(5/11 Pages) UMW | Micro Linear...
URBAN UNITS V3 Top Module, 360°, 4 Module - LP4...
LTC4054 Datasheet(PDF) - Linear Technology
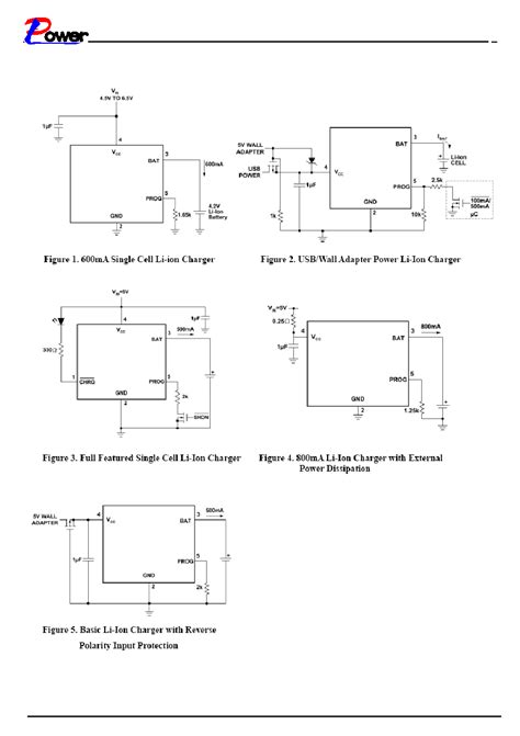
LP4054 datasheet(2/14 Pages) ETC | 600mA Standa...
LR4054-T LR | Power Management (PMIC) - LCSC El...
10pcs-LP4054HB5F-LP4054-SOT23-5-4054-Lithium-ba...
S91d665ad638e4d7699c34a9d7c98c8cdQ.jpg
LTC4054 - Standalone Linear Li-Ion Battery Char...
(PDF) TP4054 Datasheet - Standalone Linear Li-l...
LTC4054-4.2 Datasheet(PDF) - Linear Technology
lithium ion - LTC4054 Odd behaviour - Electrica...
URBAN UNITS Top Module - LP4054.538-EN - EN - H...
L4054 – DISCONTINUED | SWEEP OPTICAL
LTC4054-4.2 Datasheet and Product Info | Analog...
LTC4054 Single-cell Lithium-ion Battery: Circui...
p4054
20-100PCS-LOt-New-TP4054-LTC4054-LTC4054ES5-4-2...
Eurominiatures - New products
TP4054 datasheet(2/11 Pages) UMW | Micro Linear...
TP4054 Datasheet(PDF) - Shenzhen Tianyuan Semic...
TP4054 UMW | Integrated Circuits (ICs) | DigiKey
LTC4054 Datasheet(PDF) - Linear Integrated Systems
Favorite 4054-5P, 4055-5P - Pendant light - 3D ...
Chip 100pcs/lot New Ltc4054 Lth7 Ltc4054es5-4.2...
LP4054 datasheet(5/14 Pages) ETC | 600mA Standa...
LP4054 datasheet(4/14 Pages) ETC | 600mA Standa...
LP4054H Datasheet(PDF) - Lowpower Semiconductor...
S7c8cacc662224da58906e59f1406383eQ.jpg
LP4054 datasheet(1/14 Pages) ETC | 600mA Standa...
3Pcs Lp4054 Sot23-5 Lp 4054 Lithium Battery Cha...
LP4054 datasheet(3/14 Pages) ETC | 600mA Standa...
LTC4054-4.2 600mA Single Cell Li-Ion Charger Ci...