Установка автосигнализации в Москве и области
Установка автосигнализации в Киеве. Установка ц...
Как работает брелок автосигнализации: Разбираем...
Bosch introduces automatic crash detection serv...
Автосигнализации с автозапуском и обратной связ...
Устройство автосигнализации: виды, устройство и...
ТОП-5 лучших автосигнализаций на рынке - AUTOPE...
ТОП-10 сигнализаций на авто — Автосигнализации
Появились новые варианты лицензии диагностическ...
BOSCH Addition to Car Alarms I, II, and 20 схем...
Сложности подбора, выбора и установки автосигна...
Сигналка на машину: Выбор автосигнализации | Др...
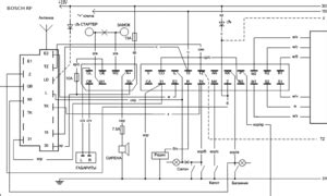
BOSCH BLOCTRONIC RF схема подключения Автосигна...
Автосигнализации с обратной связью: принцип раб...
BOSCH BLOCTRONIC IM схема подключения Автосигна...
Установка автосигнализации с автозапуском своим...
DIAGNOSTIKA BOSCH – AUTOSABOL
BOSCH CAR ALARM 20i схема подключения Автосигна...
Автосигнализация. Что нужно знать при покупке? ...
Сигнализация автомобильная: выбираем правильную...
Автосигнализация — установка, отключение, ремонт
Как установить сигнализацию с автозапуском само...
Цены на установку автосигнализации
Bosch | Ασφαλής πρόσβαση για τη διάγνωση | Auto...
Bosch Diagnostics Archives - Tech Shop Magazine
Инструкция по установке автосигнализации, как п...
Установка сигнализации на авто своими руками: п...
Služba Vzdálená podpora diagnostiky Bosch - Aut...
Señalización Automotriz De Bosch Foto editorial...
BOSCH ― Схемы подключения Принципиальные электр...