Зил 130 устройство спидометра
Купить Вал гибкий или трос спидометра ЗИЛ-130 L...
ЗИЛ-130 – технические характеристики, история, ...
Вал гибкий или трос спидометра ЗИЛ-130 L-1.8 м....
Зил 130 габаритные размеры: ЗИЛ 130 самосвал те...
Габариты зил 130 бортовой: ЗИЛ-130: технические...
Трос спидометра ГВ124Н ЗИЛ 130
Привод спидометра ЗИЛ-130 комплект - 130-380203...
Штуцер ЗИЛ-130 шестерни привода спидометра ПОЛИ...
Трос привода спидометра ЗИЛ 130 - Трос авто
Трос спидометра ГАЗ 3308 3309 КРАЗ ЗИЛ 133ГЯ L2...
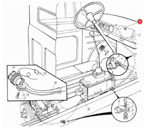
Привод спидометра зил 130 устройство - 80 фото
Спидометр ЗИЛ-130 до 160 км/ч / СП201-3802005: ...
Спидометр зил 131 | купить недорого, на Prom | ...
Трос спидометра ГВ300-06 ЗИЛ-131 (ЛЭТЗ) ГВ 300-...
ГВ300-04 (ЛЭТЗ)` Трос спидометра (1800мм) ЗИЛ-1...
ГВ30004 Вал гибкий спидометра ЗИЛ-130 L=1800мм ...
Купити Трос спідометра 130-Зил (ГАЗ) (L=1800) Г...
Трос спидометра ЗИЛ 130 длина L=1800мм (пр-во А...
Установка привода спидометра на КПП ЗИЛ 130 - Y...
ЗИЛ-130: технические характеристики самосвала, ...
Трос спидометра ЗИЛ L=1800 (ГВ300-04) 4331-3802...
ЗИЛ-130ГУ
ЗИЛ-130 – обзор, технические характеристики, мо...
Спидометр зил 131 - купить недорого на Prom.ua:...
Грузовик ЗиЛ 130 - полная характеристика автомо...
Самосвал ЗИЛ-130: технические характеристики, цена