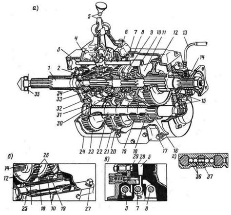
Схема кпп зил 130: устройство, характеристики и...
Сальник ступицы задней ЗИЛ 130, ПАЗ (142х168х15...
Манжета армированная 42х62х10-2/ сальник 1-го в...
Сальник первичного вала ЗИЛ 130
Сальник раздаточной коробки ЗИЛ 157, 130
выдавливает сальник гура зил 130 в чем причина
Сальник водяного насоса (помпы) ЗИЛ-130, 131 (I...
Купить Сальник шестерни ведущей ЗИЛ 130 моста з...
Сальник компрессора зил 130 | Сравнить цены и к...
Сальник вала первичного КПП ЗИЛ 130 СРТ 42х62х1...
Купить сальник вала первичного КПП ЗИЛ 130 СРТ ...
Устройство и принцип работы КПП ЗИЛ-130 opex.ru
Сальник Компрессора ЗИЛ-130 КАМАЗ МАЗ Т-150 24х...
Сальник Шестерни Ведущей ЗИЛ 130 Моста Гипоидно...
Купить Сальник клапана ЗИЛ 130 (к-т 8 шт) (пр-в...
Сальник Компрессора ЗИЛ 130 — Купить Недорого н...
Сальник ЗИЛ-130 коленвала переднего и редуктора...
Сальник вторичного вала КПП ЗИЛ 130
Сальник ГУР ЗИЛ 130 Красный ПРЕМИУМ 307600-П Uk...
Сальник КПП ЗИЛ 130 — Купить Недорого на Bigl.u...
Сальник клапанов 130-Зил (Украина) 130-1007014 ...
Схема коробки передач зил 130: Устройство кпп з...
Сальник ЗИЛ-130 коленвала 62х93х16
Купить Сальник ГУР ЗИЛ 130 NBR (Райдер) RD.3076...
Сальник коленвала зил-130 62х93х16 росичъ - арт...
Купить Сальник клапана ЗИЛ 130, ЛАЗ, УРАЛ (комп...
Сальник 24*46*10(13.5) компрессора ЗИЛ-130 (БРТ...
Купить Сальник клапана ЗИЛ 130,ЛАЗ,УРАЛ (к-кт 8...
Купить Сальник передней ступицы ЗИЛ - 130, цена...
САЛЬНИК 42*62*10 ВАЛА ПЕРВИЧНОГО 309772-П ЗИЛ-130
Сальник Вала Коленчатого ЗИЛ 130 62х93х16 NBR (...
Сальник коленвала ЗИЛ-130 62х93х16 латекс СРТ -...
Сальник ЗИЛ-130 шестерни ведущей моста заднего ...
Сальник ступицы задней ЗИЛ 130 142х168х14/16.5 ...